गोपनीयता विधान: आपली गोपनीयता आमच्यासाठी खूप महत्वाची आहे. आमची कंपनी आपली वैयक्तिक माहिती आपल्या स्पष्ट परवानग्यांसह कोणत्याही एक्सपॅनीला उघड करू नये असे वचन देते.
उत्पादन श्रेणी
चौकशी पाठवा
पैसे भरण्याची पध्दत: L/C,T/T,D/P,D/A,Paypal
वाहतूक: Ocean,Land,Air,Express
| option | |
| आता संपर्क साधा |
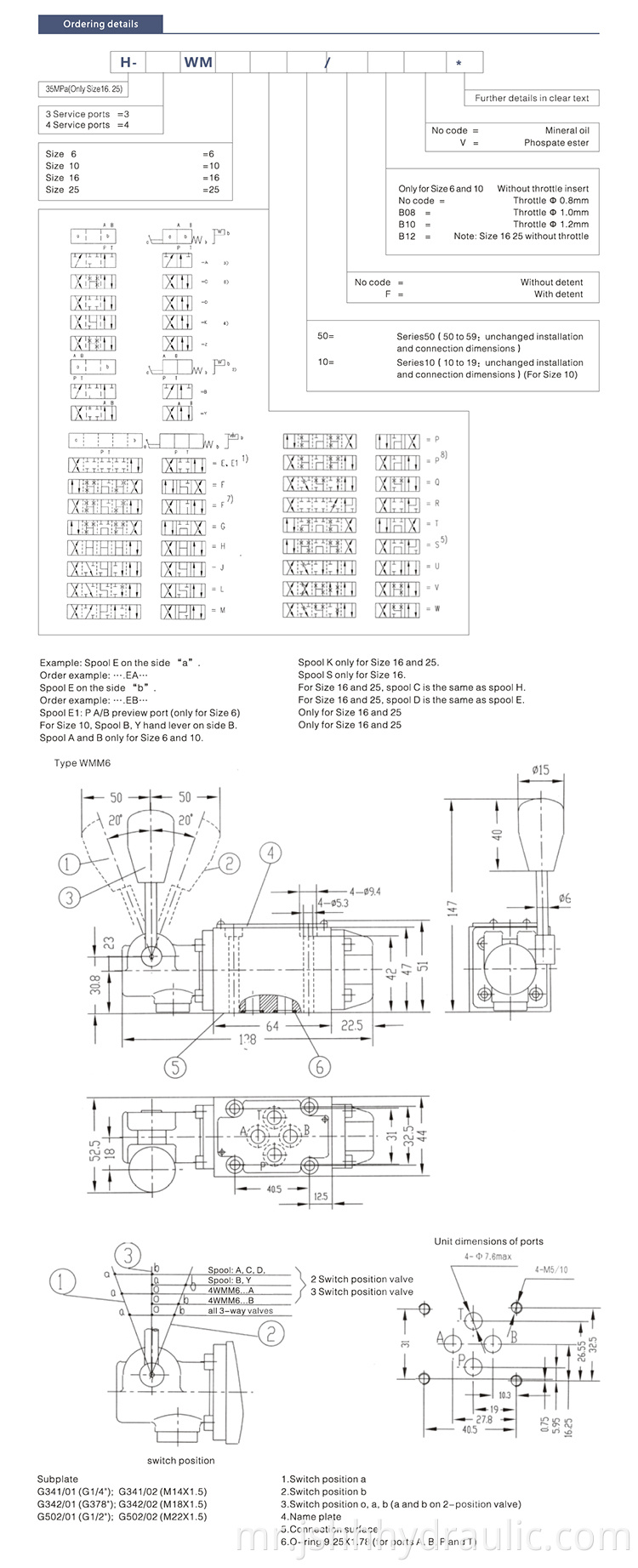
आदर्श क्रमांक: 4WMM10 Hydraulic Manual Directional Spool Control Valve
ब्रँड: होहोंग
Origin: हुआन सिटी, चीन
प्रमाणन: Ce certificate
हमी कालावधी: 1 वर्ष
वॉरंटची सेवा: सुटे भाग, ऑनलाइन समर्थन, शेतात देखभाल व दुरुस्ती सेवा, व्हिडिओ तांत्रिक समर्थन
Where To Provide Local Services (in Which Countries Are There Overseas Service Outlets): Other
Showroom Location (in Which Countries Are There Sample Rooms Overseas): Other
मूळ ठिकाण: चीन
सेवा प्रणाली: ऑनलाइन समर्थन, व्हिडिओ तांत्रिक समर्थन, विनामूल्य सुटे भाग, फील्ड स्थापना, चालू करणे आणि प्रशिक्षण, शेतात देखभाल व दुरुस्ती सेवा, इतर
झडप प्रकार: इतर
Max. Flow Rate: 120L/min
Weight: 3.8Kg
Type: Directly Operated Type
Max Pressure: 315bar
4 डब्ल्यूएमएम 10 हायड्रॉलिक मॅन्युअल डायरेक्शनल स्पूल कंट्रोल वाल्व्ह
4 डब्ल्यूएमएम 10 मालिका दिशात्मक नियंत्रण वाल्व्ह दिशा स्पूलची स्थिती बदलण्यासाठी थेट कामगारांच्या हाताने चालविले जाते. जेव्हा मध्यभागी स्थितीवरील स्पूल, ई प्रकारासाठी उदाहरणार्थ, पी, ए, बी, टीचे तेल बंदरे बंद असतात. जर हाताने लीव्हर खेचला तर वाल्व स्पूल पुढे सरकतो, इनलेट ऑइल पोर्ट पी बीला जोडते आणि आउटलेट टी पोर्ट वाल्व्ह हाऊसमध्ये त्यानुसार पोर्टशी जोडते. मागच्या शेवटी हाताने लीव्हर खेचत असल्यास, इनलेट ऑइल पोर्ट पी एला जोडते आणि आउटलेट टी पोर्ट वाल्व हाऊसमध्ये त्यानुसार बी पोर्टशी जोडते, दिशा प्रक्रिया साध्य करते, जे तेलाच्या ओळीवर नियंत्रण ठेवण्यासाठी वापरले जाते चालू किंवा बंद, तेलाचे दिशात्मक मार्ग किंवा दबाव कमी करणे. स्थापित करण्याची पद्धत सबप्लेटद्वारे आहे.

4 डब्ल्यूएमएम 10 मॅन्युअल डायरेक्शनल वाल्व्हमध्ये केवळ दिशा नियंत्रित करण्यासाठी एक पद्धत आहे, परंतु 4 डब्ल्यूएमएमई मालिका सारख्या सोलेनोइड आणि मॅन्युअल डायरेक्शनल वाल्व्ह ज्यात दिशा नियंत्रित करण्याचे दोन मार्ग आहेत. केवळ इलेक्ट्रोमॅग्नेटद्वारेच हँडल .4 डब्ल्यूएमएम 6 देखील नियंत्रित केले जाऊ शकत नाही ... 6x. ... टाइप मॅन्युअल डायरेक्शनल वाल्व्ह डायरेक्ट ऑपरेट केलेले स्पूल वाल्व आहेत जे स्पूल अक्षीय हलविण्यासाठी हँडल फिरवून फ्लोफ्लूइड स्विच करतात.

पॅकेजिंग: 5 थर तपकिरी बॉक्ससह पॅक केलेले
उत्पादकता: 10000 sets/month
वाहतूक: Ocean,Land,Air,Express
मूळ ठिकाण: हुआन सिटी, चीन
पुरवठा क्षमता: 10000 sets/month
प्रमाणपत्र: Ce certificate
एचएस कोड: 8481201090
पैसे भरण्याची पध्दत: L/C,T/T,D/P,D/A,Paypal
इन्कोटर्म: FOB,CFR,CIF,EXW
GET IN TOUCH
If you have any questions our products or services,feel free to reach out to us.Provide unique experiences for everyone involved with a brand.we’ve got preferential price and best-quality products for you.
गोपनीयता विधान: आपली गोपनीयता आमच्यासाठी खूप महत्वाची आहे. आमची कंपनी आपली वैयक्तिक माहिती आपल्या स्पष्ट परवानग्यांसह कोणत्याही एक्सपॅनीला उघड करू नये असे वचन देते.
अधिक माहिती भरा जेणेकरून आपल्याशी वेगवान संपर्क साधू शकेल
गोपनीयता विधान: आपली गोपनीयता आमच्यासाठी खूप महत्वाची आहे. आमची कंपनी आपली वैयक्तिक माहिती आपल्या स्पष्ट परवानग्यांसह कोणत्याही एक्सपॅनीला उघड करू नये असे वचन देते.