गोपनीयता विधान: आपली गोपनीयता आमच्यासाठी खूप महत्वाची आहे. आमची कंपनी आपली वैयक्तिक माहिती आपल्या स्पष्ट परवानग्यांसह कोणत्याही एक्सपॅनीला उघड करू नये असे वचन देते.
उत्पादन श्रेणी
चौकशी पाठवा
पैसे भरण्याची पध्दत: L/C,T/T,D/P,D/A,Paypal,Others
वाहतूक: Ocean,Land,Air,Express,Others
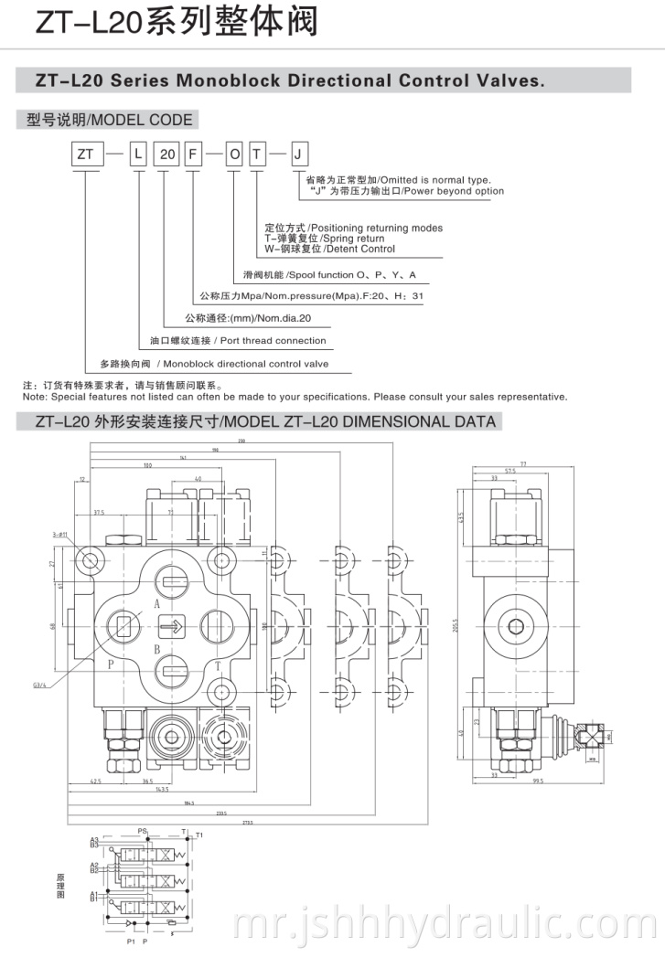
आदर्श क्रमांक: ZT-L20 hydraulic directional control muanal monoblock valve
ब्रँड: होहोंग
Origin: हुआन सिटी, चीन
प्रमाणन: Ce certificate
हमी कालावधी: 1 वर्ष
वॉरंटची सेवा: ऑनलाइन समर्थन, सुटे भाग, शेतात देखभाल व दुरुस्ती सेवा, व्हिडिओ तांत्रिक समर्थन
Where To Provide Local Services (in Which Countries Are There Overseas Service Outlets): Other
Showroom Location (in Which Countries Are There Sample Rooms Overseas): Other
मूळ ठिकाण: चीन
सेवा प्रणाली: ऑनलाइन समर्थन, व्हिडिओ तांत्रिक समर्थन, विनामूल्य सुटे भाग, फील्ड स्थापना, चालू करणे आणि प्रशिक्षण, शेतात देखभाल व दुरुस्ती सेवा, इतर
झडप प्रकार: प्रवाह नियंत्रण झडप
Nom.Pressure: 20 MPA
Rated Flow: 80 LPM
Hydraulic Oil Tem.Rang: -20~+80 ℃
Spool Function: O, P. Y, A
Joining Port: L (screw connection)
Work Ports: SAE8
Material: Vermicular graphite cast iron
Package Size: 28*24*15cm
अनुप्रयोग: Construction machinery, sanitation machinery, mining machinery and other machinery hydraulic system
झेडटी-एल 20 इलेक्ट्रोपन्यूमेटिक कंट्रोल सीरिज मल्टी-वे वाल्व झेडटी-एल 20 एअर कंट्रोल मालिकेच्या आधारे सुधारित केले आहे. इलेक्ट्रोपन्यूमेटिक कंट्रोलच्या वाढीच्या आधारे हवा नियंत्रणात एअर कंट्रोल रिव्हर्सिंग व्हॉल्व्हची नियंत्रण यंत्रणा बदलणे हे आहे आणि ग्राहकांच्या मागणीनुसार वायरलेस रिमोट कंट्रोलची स्थापना रिमोट कंट्रोल अधिक चांगली मिळवू शकते. वाल्व मोठ्या प्रमाणात बांधकाम यंत्रणा, स्वच्छता यंत्रणा, खाण यंत्रणा आणि इतर मशीनरी हायड्रॉलिक सिस्टममध्ये वापरली जाते.

थोडक्यात, झेडटी-एल 20 मालिका मल्टी-चॅनेल डायरेक्शनल वाल्व्ह एक हायड्रॉलिक नियंत्रण उपकरणे आहेत ज्यात विश्वसनीय कार्यक्षमता, विविध कार्ये आणि सोयीस्कर स्थापना आहे, जी विविध हायड्रॉलिक सिस्टमच्या नियंत्रण गरजेसाठी योग्य आहे.


पॅकेजिंग: 5 थर तपकिरी बॉक्ससह पॅक केलेले
उत्पादकता: 10000 sets/month
वाहतूक: Ocean,Land,Air,Express,Others
मूळ ठिकाण: हुआन सिटी, चीन
पुरवठा क्षमता: 10000 sets/month
प्रमाणपत्र: Ce certificate
एचएस कोड: 8481201090
बंदर: SHANGHAI,NINGBO
पैसे भरण्याची पध्दत: L/C,T/T,D/P,D/A,Paypal,Others
इन्कोटर्म: FOB,CFR,CIF,EXW
GET IN TOUCH
If you have any questions our products or services,feel free to reach out to us.Provide unique experiences for everyone involved with a brand.we’ve got preferential price and best-quality products for you.
गोपनीयता विधान: आपली गोपनीयता आमच्यासाठी खूप महत्वाची आहे. आमची कंपनी आपली वैयक्तिक माहिती आपल्या स्पष्ट परवानग्यांसह कोणत्याही एक्सपॅनीला उघड करू नये असे वचन देते.
अधिक माहिती भरा जेणेकरून आपल्याशी वेगवान संपर्क साधू शकेल
गोपनीयता विधान: आपली गोपनीयता आमच्यासाठी खूप महत्वाची आहे. आमची कंपनी आपली वैयक्तिक माहिती आपल्या स्पष्ट परवानग्यांसह कोणत्याही एक्सपॅनीला उघड करू नये असे वचन देते.